MOTORCYCLE
EQUIPMENT
PARTS AND ACCESSORIES
GIFT IDEAS
STYLE
Brands
sale
მთავარი / მაღაზია / ზურგჩანთა / OJ TWIN ჩანთა
Sort
filter Filter

start f88se


Warning: Undefined variable $r2 in /var/www/pitstop.ge/public_html/view/pages/oemparts2.php on line 113

Warning: Trying to access array offset on null in /var/www/pitstop.ge/public_html/view/pages/oemparts2.php on line 113
# Part Number Rqd Qty Qty Price Action
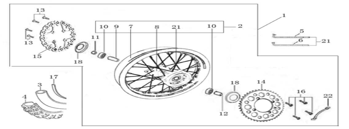
1 YC110-1101-01AComplete STEEL Rear wheel 1.85x10 with YCF disk. Casting hub 2019 1 0.00 ₾ 0.000
2 YC110-1102-0101Complete STEEL Rear wheel 1.85x10 without disk. Casting hub 1 0.00 ₾ 0.000
3 CHAMBRE10Tube for Rear tire 3.00-10 GL 5 0.00 ₾ 0.000
FB6170-M8-CrTire valve nut M8 5 0.00 ₾ 0.000
4 300/10YCF tyre 3.00/10 1 125.00 ₾ 125.00106.25
7 YC110-1117-01STEEL Rim 1.85x10 4 0.00 ₾ 0.000
8 YC110-1122-08Rear wheel hub Casting with oil seal 2 0.00 ₾ 0.000
10 96140-6202-2ZBall bearing 6202-2Z d35xd15x11 1 0.00 ₾ 0.000
11 YC110-11-041Rear wheel spacer right d15xd22x29mm 1 5.00 ₾ 5.000
12 YC110-11-052Rear wheel spacer left d15xd22x38mm 1 5.00 ₾ 5.000
14 YC110-11-06/41YCF Driven sprocket 420-41T 1 60.00 ₾ 60.0048
22 YC110-11-03Sprocket Locking piece 2 0.00 ₾ 0.000
16 GB5783-M8x25-WExterior Hex.Bolt M8x25 for rear sprocket 2 0.00 ₾ 0.000
15 YC110-1115-01Rear Brake disc d.200mm 2016 2 125.00 ₾ 125.000
13 GB70.2-M8x16Screw for disk M8X16 2 0.00 ₾ 0.000
17 YC110-11-02Tire lining for 10 2 10.00 ₾ 10.007.5
18 YC110-0611oil seal d23xd35x5 1 0.00 ₾ 0.000
21 JR10-10.4-10Kset of spoke 10 (98mmx8+104x8+106mmx16) 10K(3.2mm) 2 0.00 ₾ 0.000
Brands
https://pitstopmoto.ge/admin/uploads/BRAND%20LOGOS/BIKER%20TOYS.png
https://pitstopmoto.ge/admin/uploads/BRAND%20LOGOS/MBM_LOGO.png
https://pitstopmoto.ge/admin/uploads/BRAND%20LOGOS/intav_LOGO.png
https://pitstopmoto.ge/admin/uploads/BRAND%20LOGOS/BLUESKEYSEA.png
https://pitstopmoto.ge/admin/uploads/BRAND%20LOGOS/yF0TYSfK.jpg
https://pitstopmoto.ge/admin/uploads/BRAND%20LOGOS/muc-off-bicycle-motorcycle-logo-brake-png-favpng-Nc6gs52PTuH8rB4LD0sQULxGm.png
https://pitstopmoto.ge/admin/uploads/BRAND%20LOGOS/shell.png
https://pitstopmoto.ge/admin/uploads/BRAND%20LOGOS/rovel%201.png
https://pitstopmoto.ge/admin/uploads/BRAND%20LOGOS/new-motoinkz-logo-320px_320x%402x.png
https://pitstopmoto.ge/admin/uploads/HV017%20Premier-228x228.jpg
https://pitstopmoto.ge/admin/uploads/BRAND%20LOGOS/SUPERSPROX.png
https://pitstopmoto.ge/admin/uploads/markalarimiz-6-7P4B6K7M.png
https://pitstopmoto.ge/admin/uploads/BRAND%20LOGOS/VESRAH%20(2).png
https://pitstopmoto.ge/admin/uploads/Logo-WRP.png
https://pitstopmoto.ge/admin/uploads/BRAND%20LOGOS/MIW%20FILTERS.png
https://pitstopmoto.ge/admin/uploads/BRAND%20LOGOS/VESRAH.png
https://pitstopmoto.ge/admin/uploads/BRAND%20LOGOS/OJ.png
https://pitstopmoto.ge/admin/uploads/A6tQ92l.jpg
https://pitstopmoto.ge/admin/uploads/BRAND%20LOGOS/one%20design.png
https://pitstopmoto.ge/admin/uploads/ngk-logo-EA0E1ECFFE-seeklogo.com%20(1).png
https://pitstopmoto.ge/admin/uploads/SWM%20Logo.jpg
https://pitstopmoto.ge/admin/uploads/BRAND%20LOGOS/NEXX.png
https://pitstopmoto.ge/admin/uploads/BRAND%20LOGOS/ENEOS.png
https://pitstopmoto.ge/admin/uploads/BRAND%20LOGOS/MT%20.png
https://pitstopmoto.ge/admin/uploads/BRAND%20LOGOS/201664_sp-connect-mobiltilbehoer.jpg
https://pitstopmoto.ge/admin/uploads/BRAND%20LOGOS/MOTUL.png
https://pitstopmoto.ge/admin/uploads/BRAND%20LOGOS/CASTROL.png
https://pitstopmoto.ge/admin/uploads/BRAND%20LOGOS/MOTO%20GADGET.png
https://pitstopmoto.ge/admin/uploads/BRAND%20LOGOS/SHIMA.png
https://pitstopmoto.ge/admin/uploads/download%20(1).png
https://pitstopmoto.ge/admin/uploads/logo.png
https://pitstopmoto.ge/admin/uploads/autosol-logo.png
https://pitstopmoto.ge/admin/uploads/kyt-helmet-logo-D92F894FA9-seeklogo.com.png
https://pitstopmoto.ge/admin/uploads/logo238x79.png
https://pitstopmoto.ge/admin/uploads/BRAND LOGOS/cardo.png
https://pitstopmoto.ge/admin/uploads/ariete-800.png
https://pitstopmoto.ge/admin/uploads/BRAND%20LOGOS/ENI.png
https://pitstopmoto.ge/admin/uploads/Forma-logo-white-WP.png
https://pitstopmoto.ge/admin/uploads/BRAND%20LOGOS/BELL.png
https://pitstopmoto.ge/admin/uploads/BRAND%20LOGOS/SW%20MOTECH%20copy%20(1).png
https://pitstopmoto.ge/admin/uploads/BRAND LOGOS/ARAI.png
https://pitstopmoto.ge/admin/uploads/BRAND%20LOGOS/SHOEI.png
https://pitstopmoto.ge/admin/uploads/BRAND%20LOGOS/KNOX.png
https://pitstopmoto.ge/admin/uploads/Suomy_Helmets-logo-99AF34191A-seeklogo.com.png
https://pitstopmoto.ge/admin/uploads/BRAND%20LOGOS/CABERG.png
https://pitstopmoto.ge/admin/uploads/BRAND%20LOGOS/images.png
https://pitstopmoto.ge/admin/uploads/BRAND%20LOGOS/revit.png
https://pitstopmoto.ge/admin/uploads/pirelli-logo.jpg
https://pitstopmoto.ge/admin/uploads/ACERBIS_CORPORATE.jpg
https://pitstopmoto.ge/admin/uploads/BRAND%20LOGOS/ALPINESTARS%20(1).png
https://pitstopmoto.ge/admin/uploads/BRAND%20LOGOS/%E1%83%9C%E1%83%90%E1%83%AC%E1%83%98%E1%83%9A%E1%83%94%E1%83%91%E1%83%98%20(2).png
https://pitstopmoto.ge/admin/uploads/BRAND LOGOS/YCF_PARTS.png
https://pitstopmoto.ge/admin/uploads/BRAND LOGOS/YCF.png
https://pitstopmoto.ge/admin/uploads/BRAND%20LOGOS/piaggio%20group%20logo.svg
https://pitstopmoto.ge/admin/uploads/BRAND%20LOGOS/MOTO%20GUZZI%20(1).png
https://pitstopmoto.ge/admin/uploads/BRAND LOGOS/APRILIA (1).png
https://pitstopmoto.ge/admin/uploads/BRAND%20LOGOS/VESPA%20(2).png
https://pitstopmoto.ge/admin/uploads/BRAND%20LOGOS/PIAGGIO%201%20copy.png
Filter
×
All Listings
ფილტრი
Price:
-
×
follow us 
new products for sale, service, online store | PITSTOP MOTO
copyright © since 2018 PITSTOP MOTO - all rights reserved. provided by Webdoors
dfdfdf