MOTORCYCLE
EQUIPMENT
PARTS AND ACCESSORIES
GIFT IDEAS
STYLE
Brands
sale
მთავარი / მაღაზია / ზურგჩანთა / OJ TWIN ჩანთა
Sort
filter Filter

start f88se


Warning: Undefined variable $r2 in /var/www/pitstop.ge/public_html/view/pages/oemparts2.php on line 113

Warning: Trying to access array offset on null in /var/www/pitstop.ge/public_html/view/pages/oemparts2.php on line 113
# Part Number Rqd Qty Qty Price Action
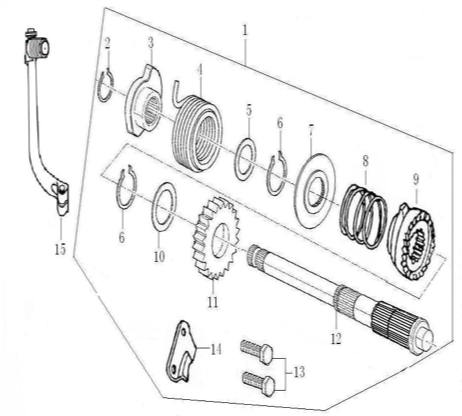
1 21100-D002-0001KICK STARTING SHAFT ASSEMBLY 1 0.00 ₾ 0.000
2 91402-D002-0000CIRCLI φ15.5×1.2×φ19 1 0.00 ₾ 0.000
3 21104-D002-0000SEAT, SPRING, KICK STARTING SHAFT 1 0.00 ₾ 0.000
4 21106-D002-0000RETURN SPRING, KICK STARTING SHAFT 1 0.00 ₾ 0.000
5 93301-61721024000WASHER 17.2×1.0×24 1 0.00 ₾ 0.000
6 91402-D002-0100CIRCLI φ18.5×1.2×φ22.1 2 0.00 ₾ 0.000
7 21122-D002-0000SPRING SUPPORT 1 0.00 ₾ 0.000
8 21119-D002-0000SPRING, KICK STARTING RATCHET WHEEL 1 0.00 ₾ 0.000
9 21118-D002-0000STARTING RATCHET 1 0.00 ₾ 0.000
10 93301-62021027000WASHER 20.2×1.0×27 1 0.00 ₾ 0.000
11 21117-D002-0000GEAR, KICK STARTER 1 0.00 ₾ 0.000
12 21107-D002-0001PIVOT, KICK STARTING SHAFT 1 0.00 ₾ 0.000
13 B057830006002020XBOLT M6×20 2 0.00 ₾ 0.000
14 21108-D002-0000SPACE, RATCHET WHEEL 1 0.00 ₾ 0.000
15 21200-F004-0002START-UP BAR COMP 1 0.00 ₾ 0.000
Brands
https://pitstopmoto.ge/admin/uploads/BRAND%20LOGOS/BIKER%20TOYS.png
https://pitstopmoto.ge/admin/uploads/BRAND%20LOGOS/MBM_LOGO.png
https://pitstopmoto.ge/admin/uploads/BRAND%20LOGOS/intav_LOGO.png
https://pitstopmoto.ge/admin/uploads/BRAND%20LOGOS/BLUESKEYSEA.png
https://pitstopmoto.ge/admin/uploads/BRAND%20LOGOS/yF0TYSfK.jpg
https://pitstopmoto.ge/admin/uploads/BRAND%20LOGOS/muc-off-bicycle-motorcycle-logo-brake-png-favpng-Nc6gs52PTuH8rB4LD0sQULxGm.png
https://pitstopmoto.ge/admin/uploads/BRAND%20LOGOS/shell.png
https://pitstopmoto.ge/admin/uploads/BRAND%20LOGOS/rovel%201.png
https://pitstopmoto.ge/admin/uploads/BRAND%20LOGOS/new-motoinkz-logo-320px_320x%402x.png
https://pitstopmoto.ge/admin/uploads/HV017%20Premier-228x228.jpg
https://pitstopmoto.ge/admin/uploads/BRAND%20LOGOS/SUPERSPROX.png
https://pitstopmoto.ge/admin/uploads/markalarimiz-6-7P4B6K7M.png
https://pitstopmoto.ge/admin/uploads/BRAND%20LOGOS/VESRAH%20(2).png
https://pitstopmoto.ge/admin/uploads/Logo-WRP.png
https://pitstopmoto.ge/admin/uploads/BRAND%20LOGOS/MIW%20FILTERS.png
https://pitstopmoto.ge/admin/uploads/BRAND%20LOGOS/VESRAH.png
https://pitstopmoto.ge/admin/uploads/BRAND%20LOGOS/OJ.png
https://pitstopmoto.ge/admin/uploads/A6tQ92l.jpg
https://pitstopmoto.ge/admin/uploads/BRAND%20LOGOS/one%20design.png
https://pitstopmoto.ge/admin/uploads/ngk-logo-EA0E1ECFFE-seeklogo.com%20(1).png
https://pitstopmoto.ge/admin/uploads/SWM%20Logo.jpg
https://pitstopmoto.ge/admin/uploads/BRAND%20LOGOS/NEXX.png
https://pitstopmoto.ge/admin/uploads/BRAND%20LOGOS/ENEOS.png
https://pitstopmoto.ge/admin/uploads/BRAND%20LOGOS/MT%20.png
https://pitstopmoto.ge/admin/uploads/BRAND%20LOGOS/201664_sp-connect-mobiltilbehoer.jpg
https://pitstopmoto.ge/admin/uploads/BRAND%20LOGOS/MOTUL.png
https://pitstopmoto.ge/admin/uploads/BRAND%20LOGOS/CASTROL.png
https://pitstopmoto.ge/admin/uploads/BRAND%20LOGOS/MOTO%20GADGET.png
https://pitstopmoto.ge/admin/uploads/BRAND%20LOGOS/SHIMA.png
https://pitstopmoto.ge/admin/uploads/download%20(1).png
https://pitstopmoto.ge/admin/uploads/logo.png
https://pitstopmoto.ge/admin/uploads/autosol-logo.png
https://pitstopmoto.ge/admin/uploads/kyt-helmet-logo-D92F894FA9-seeklogo.com.png
https://pitstopmoto.ge/admin/uploads/logo238x79.png
https://pitstopmoto.ge/admin/uploads/BRAND LOGOS/cardo.png
https://pitstopmoto.ge/admin/uploads/ariete-800.png
https://pitstopmoto.ge/admin/uploads/BRAND%20LOGOS/ENI.png
https://pitstopmoto.ge/admin/uploads/Forma-logo-white-WP.png
https://pitstopmoto.ge/admin/uploads/BRAND%20LOGOS/BELL.png
https://pitstopmoto.ge/admin/uploads/BRAND%20LOGOS/SW%20MOTECH%20copy%20(1).png
https://pitstopmoto.ge/admin/uploads/BRAND LOGOS/ARAI.png
https://pitstopmoto.ge/admin/uploads/BRAND%20LOGOS/SHOEI.png
https://pitstopmoto.ge/admin/uploads/BRAND%20LOGOS/KNOX.png
https://pitstopmoto.ge/admin/uploads/Suomy_Helmets-logo-99AF34191A-seeklogo.com.png
https://pitstopmoto.ge/admin/uploads/BRAND%20LOGOS/CABERG.png
https://pitstopmoto.ge/admin/uploads/BRAND%20LOGOS/images.png
https://pitstopmoto.ge/admin/uploads/BRAND%20LOGOS/revit.png
https://pitstopmoto.ge/admin/uploads/pirelli-logo.jpg
https://pitstopmoto.ge/admin/uploads/ACERBIS_CORPORATE.jpg
https://pitstopmoto.ge/admin/uploads/BRAND%20LOGOS/ALPINESTARS%20(1).png
https://pitstopmoto.ge/admin/uploads/BRAND%20LOGOS/%E1%83%9C%E1%83%90%E1%83%AC%E1%83%98%E1%83%9A%E1%83%94%E1%83%91%E1%83%98%20(2).png
https://pitstopmoto.ge/admin/uploads/BRAND LOGOS/YCF_PARTS.png
https://pitstopmoto.ge/admin/uploads/BRAND LOGOS/YCF.png
https://pitstopmoto.ge/admin/uploads/BRAND%20LOGOS/piaggio%20group%20logo.svg
https://pitstopmoto.ge/admin/uploads/BRAND%20LOGOS/MOTO%20GUZZI%20(1).png
https://pitstopmoto.ge/admin/uploads/BRAND LOGOS/APRILIA (1).png
https://pitstopmoto.ge/admin/uploads/BRAND%20LOGOS/VESPA%20(2).png
https://pitstopmoto.ge/admin/uploads/BRAND%20LOGOS/PIAGGIO%201%20copy.png
Filter
×
All Listings
ფილტრი
Price:
-
×
follow us 
new products for sale, service, online store | PITSTOP MOTO
copyright © since 2018 PITSTOP MOTO - all rights reserved. provided by Webdoors
dfdfdf