კონტაქტი
შესვლა
რეგისტრაცია
GEO
ENG
GEO
პროფილი
ჩემი შეკვეთები
ჩემი ვაუჩერი
ჩემი ფარეხი
მერჩანტი
API
გასვლა
0
0
კალათა
სულ გადაზიდვის გარეშე
0
₾
კალათის ნახვა
შეკვეთა
ძებნა
ENG
GEO
0
მოტოციკლები
სტილი
მოპედები
ქალაქი
სპორტული
სამგზავრო
OFF-ROAD
კრუიზერი
ველოსიპედი
ბალანს ბაიკი
ე-ველოსიპედი
სტილი
ველოსიპედი
აღჭურვილობა
ჩაფხუტები
დახურული
მოდულარი
ღია ჩაფხუტი
ენდურო
სამგზავრო
სათვალეები
კომუნიკაცია
ვიზორები & აქსესუარები
ბალაკლავები
ქურთუკები
ნაჭრის
ტყავის
4 სეზონი
მაისური ენდურო
ჟილეტი
შარვლები
ჯინსი
ნაჭრის
ტყავის
ენდურო
ხელთათმანები
ტყავი-ნაჭერი
წყალგაუმტარი
ენდურო
ფეხსაცმელები
ქალაქის
სპორტული
ენდურო
ტურინგი
ედვენჩერი
წინდები
აქსესუარები
დამცავები
ტანის დამცავი
ზურგის დამცავი
ჟილეტი
მუხლი/იდაყვი
შორტი
ჩასასმელი
კისრის დამცავი
ტანსაცმელი
მაისური
ჟაკეტი კაპიშონით
ქურთუკი
კეპი
ფეხსაცმელი
ჯინსები
შორტი
სპორტი
ჩაფხუტები
ქურთუკები
შარვლები
ხელთათმანები
ფეხსაცმელები
დამცავები
ტანსაცმელი
ნაწილები და აქსესუარები
მოტოციკლის ნაწილები
დიაგრამა
მოტოციკლის ზეთები & საპოხები
მოტოციკლის ფილტრები
მოტოციკლის ხუნდები
აალების სანთლები (NGK)
მოტოციკლის აკუმულატორი
მოტოციკლის ჯაჭვები & კბილანები
მოტოციკლის ჩობალი (სალნიკი)
მოტოციკლის საბურავები
ფრიქციონი
ძრავი / გადაცემათა კოლოფი
ძრავის ელექროობა
ჰაერი & საწვავი
გაგრილება
მაყუჩი
ამორტიზატორი & სავალი ნაწილები
საჭე & კონტროლი
მუხრუჭის სისტემა
დისკები
ჩარჩო & გარე ვიზუალი
სკამი
ელექტროობა
მანქანის ფილტრები
OEM PARTS
HANWAY
PONY
YCF
აქსესუარები
მოტოციკლეტის დამცავები
სამგზავრო ჩანთა
ზურგჩანთა
მოტოციკლის აქსესუარები
ტელეფონის სამაგრი
ავზის დამცავი & სტიკერები
ინსტრუმენტები
მოგზაურობა
მოტოციკლის ნაწილები
OEM PARTS
აქსესუარები
სასაჩუქრე
სასაჩუქრე
სასაჩუქრე ბარათი
სუვენირები
სასაჩუქრე
ფასდაკლება
ბრენდები
ბლოგი
მოტოციკლები
აღჭურვილობა
ნაწილები და აქსესუარები
სასაჩუქრე
სტილი
ბრენდები
ფასდაკლება
მოტოციკლეტები
მთავარი / მაღაზია / ზურგჩანთა / OJ TWIN ჩანთა
ჩემი მოტო
ლოკაცია
ტელეფონი
Eng
Sort
Filter
Change Model
start 125se
Warning
: Undefined variable $r2 in
/var/www/pitstop.ge/public_html/view/pages/oemparts2.php
on line
113
Warning
: Trying to access array offset on null in
/var/www/pitstop.ge/public_html/view/pages/oemparts2.php
on line
113
11 ძრავი
12 ძრავის ელექტროობა
13 საწვავის სისტემა
16 საწვავის მიწოდება
18 გამოსაბოლქვი სისტემა
23 ტრანსმისია M
31 წინა სავალი ნაწილი
32 საჭე
33 უკანა სავალი ნაწილი
34 სამუხრუჭე სისტემა
36 დისკები
46 ჩარჩო | გარე პლასტმასები
11-ძრავი
ძრავი
DIAGRAM 511_514
ცილინდრის თავი
DIAGRAM 511_515
ცილინდრი
DIAGRAM 511_516
შუასადები
DIAGRAM 511_517
სარქველის მექანიზმი
DIAGRAM 511_518
მარჯვენა ხუფი
DIAGRAM 511_519
მარცხენა ხუფი
DIAGRAM 511_520
ზეთის ტუმბო
DIAGRAM 511_521
მოჭიდების სისტემა
DIAGRAM 511_522
მარცხენა ძრავის კარკასი
DIAGRAM 511_523
მარჯვენა, ძრავის კარკასი
DIAGRAM 511_524
ლივლი და დუში
DIAGRAM 511_525
ფეხით საქოქი
DIAGRAM 511_527
12-ძრავის ელექტროობა
ხვია
DIAGRAM 511_529
ელ. საქოქის მექანიზმი
DIAGRAM 511_530
ელექტროო
DIAGRAM 511_531
მთ. კაბელი
DIAGRAM 511_548
13-საწვავის სისტემა
კარბურატორი
DIAGRAM 511_550
16-საწვავის მიწოდება
საწვავის ავზი
DIAGRAM 511_542
ჰაერის ფილტ
DIAGRAM 511_543
18-გამოსაბოლქვი სისტემა
მაყუჩი
DIAGRAM 511_538
23-ტრანსმისია M
გადაცემათა კოლოფი
DIAGRAM 511_526
გადაცემათაკოლოფის მექანიზმი
DIAGRAM 511_528
31-წინა სავალი ნაწილი
წინა დაკიდების სისტემა
DIAGRAM 511_533
ამორტიზატ
DIAGRAM 511_534
32-საჭე
საჭე
DIAGRAM 511_532
33-უკანა სავალი ნაწილი
Swing Arm
DIAGRAM 511_541
34-სამუხრუჭე სისტემა
წინა მუხრუჭი
DIAGRAM 511_544
უკანა მუხრუჭი
DIAGRAM 511_545
36-დისკები
წინა დისკი
DIAGRAM 511_546
უკანა დისკი
DIAGRAM 511_547
46-ჩარჩო | გარე პლასტმასები
ჩარჩო
DIAGRAM 511_535
გარე პლასტმასები
DIAGRAM 511_536
წინა ფრთა
DIAGRAM 511_537
ფეხის დასადებ
DIAGRAM 511_539
გრაფიკა
DIAGRAM 511_540
#
Part Number
Rqd Qty
Qty
Price
Action
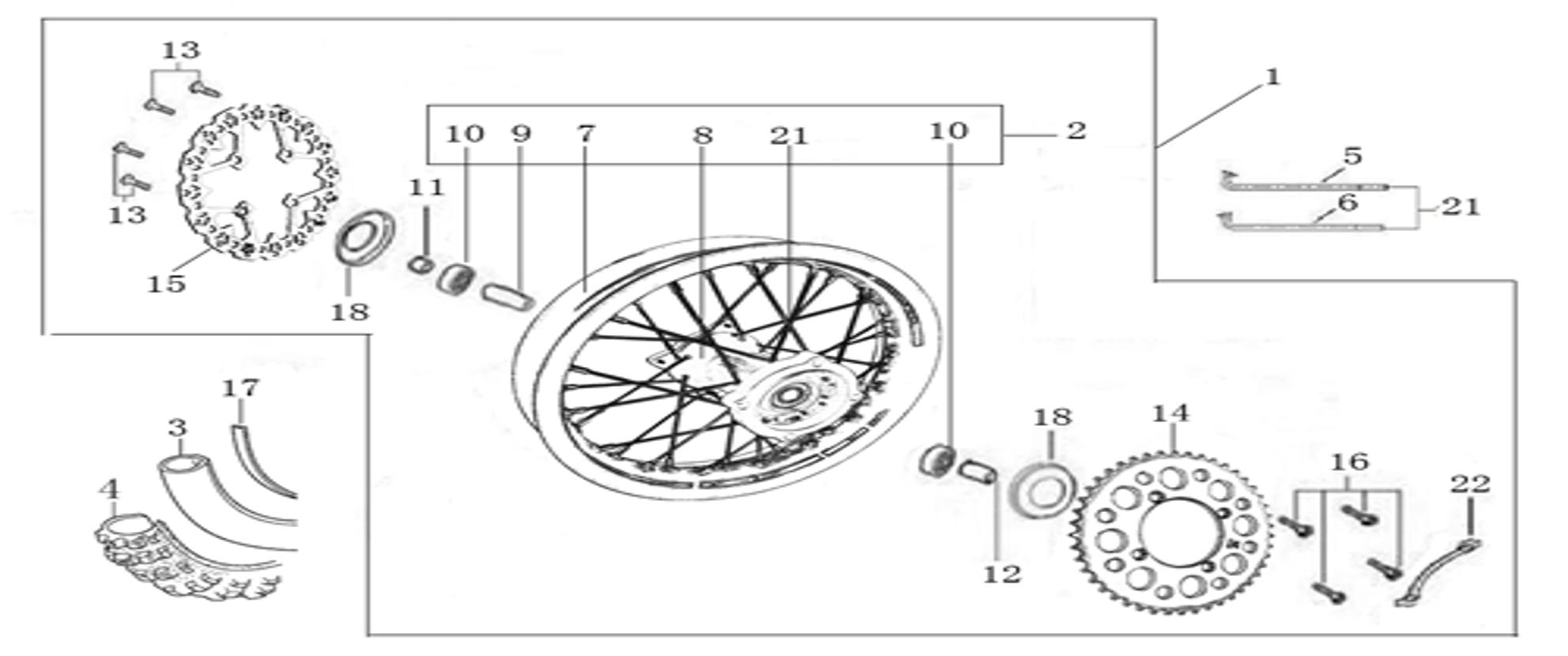
1
YC110-1101-201F
Complete STEEL Rear wheel 1.85x12 with disk 2016. Casting hub 2020
1
0.00 ₾
0.00
0
₾
2
YC110-1102-2101
Complete STEEL Rear wheel 1.85x12 without disk. Casting hub 2020
1
0.00 ₾
0.00
0
₾
3
CHAMBRE12
Tube for Rear tire 3.00-12 GL
1
0.00 ₾
0.00
0
₾
FB6170-M8-Cr
Tire valve nut M8
1
0.00 ₾
0.00
0
₾
4
300/12
Rear tyre 80/100-12 GUANGLI
1
110.00 ₾
110.00
0
₾
7
YC110-1101-012
STEEL Rim 1.85x12
1
0.00 ₾
0.00
0
₾
8
YC110-1122-08
Rear wheel hub Casting with oil seal 2020
1
0.00 ₾
0.00
0
₾
10
96140-6202-2Z
Ball bearing 6202-2Z d.15mmxd.35mmx11mm
2
0.00 ₾
0.00
0
₾
11
YC110-11-041
Rear wheel spacer right d.15mmxd.22mmx29mm
1
5.00 ₾
5.00
0
₾
12
YC110-11-052
Rear wheel spacer left d.15mmxd.22mmx38mm
1
5.00 ₾
5.00
0
₾
14
YC110-11-06/45
YCF Driven sprocket 420-45T
1
60.00 ₾
60.00
48
₾
22
YC110-11-03
Sprocket Locking piece
2
0.00 ₾
0.00
0
₾
16
GB5783-M8x25-W
Exterior Hex.Bolt M8X25 for rear sprocket
4
0.00 ₾
0.00
0
₾
15
YC110-1115-01
Rear Brake disc d200mm 2016
1
125.00 ₾
125.00
0
₾
13
GB70.2-M8x16
Screw for disk M8X16
4
0.00 ₾
0.00
0
₾
17
YC110-11-01
tire lining 12
1
0.00 ₾
0.00
0
₾
18
YC110-0611
OIL SEAL d.23mmxd.35mmx5mm
2
0.00 ₾
0.00
0
₾
21
JR12-12.8-10K
set of spoke 12 (122mmx8+125mmx8+128mmx16) 10K(3.2mm)
1
0.00 ₾
0.00
0
₾
Brands
ფილტრი
×
All Listings
ფილტრი
ფასი:
₾
-
₾
სორტირება
ახალი პროდუქტების მიხედვით
ფასის კლებადობის მიხედვით
ფასის ზრდის მიხედვით
რეიტინგის ზრდის მიხედვით
რეიტინგის კლების მიხედვით
×
მაღაზია
მოტოციკლები
აღჭურვილობა
ნაწილები და აქსესუარები
სასაჩუქრე
სტილი
გვერდები
წესები და პირობები
ჩვენ შესახებ
კონტაქტი
კონფიდენციალურობის პოლიტიკა
დაბრუნების პოლიტიკა
მიწოდების პოლიტიკა
ბლოგი
კონტაქტი
ელიავას ბაზრობა, 0154 თბილისი, საქართველო
+(995) 599 99 40 99
ორშაბათი - კვირა 10:00 - 19:00
გამოგვყევით
ახალი პროდუქცია, მომსახურება, ონლაინ მაღაზია | PITSTOP MOTO
საავტორო უფლებები © 2018 წლიდან PITSTOP MOTO - ყველა უფლება დაცულია. პროვაიდერი
Webdoors
dfdfdf